Subcategories

Hydra Pro IV Major Component Parts

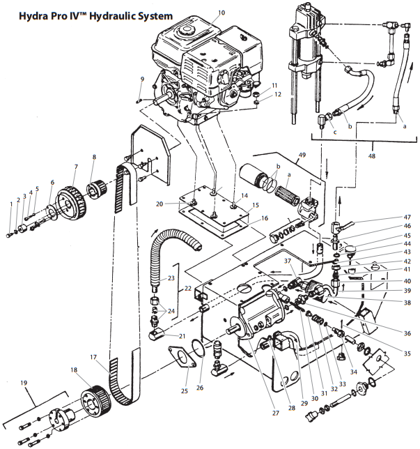
Hydra Pro IV Hydraulic System Parts

Hydra Pro IV Tank Assembly and Mobil kit Parts

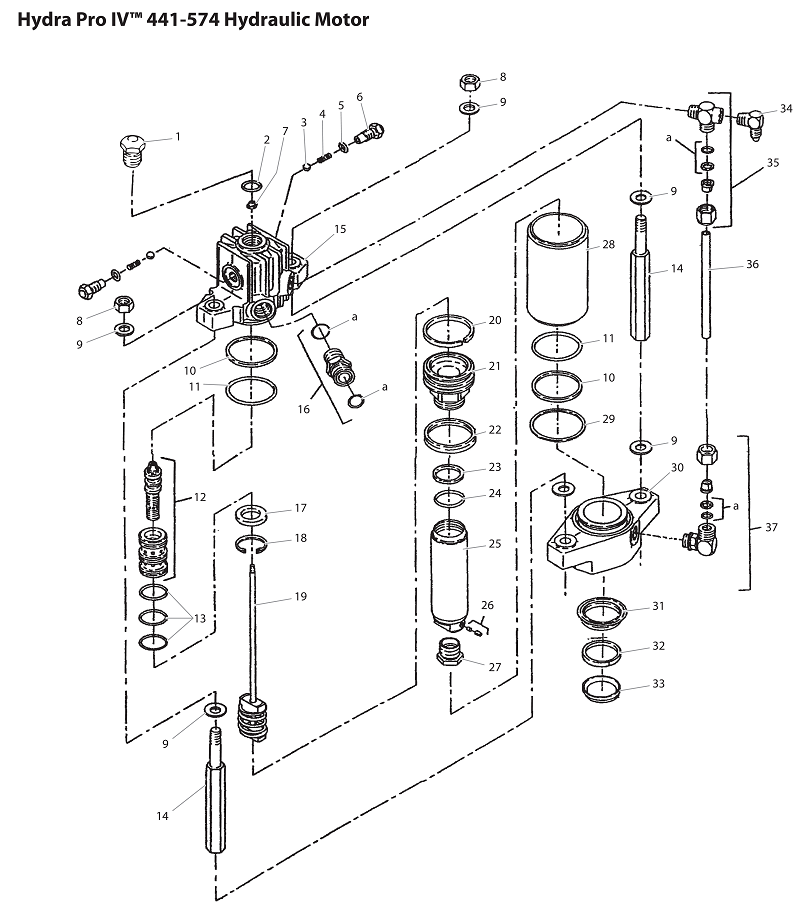
Hydra Pro IV Hydraulic Motor Parts (441-574)

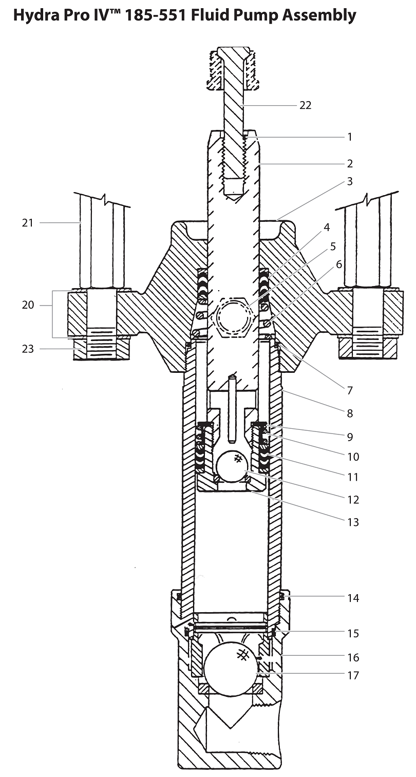
Hydra Pro IV 185-551 Fluid Pump Assembly Parts

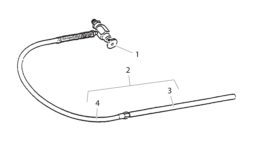
Hydra Pro IV Bleed Line Assembly With Valve Parts

Hydra Pro IV Bleed Valve Assembly Parts

Hydra Pro IV Siphon Valve Assembly Parts

Hydra Pro IV Outlet Accessories Parts

Hydra M and Hydra Pro IV Super Outlet Accessories Parts-Gun Manifold Assemblies
Hydra Pro IV Accessories Parts
NEW PRODUCTS FOR DECEMBER - SPEEFLO HYDRA PRO IV GAS POWERED AIRLESS SPRAYER