Subcategories

Titan Powrliner 4500 Main Assembly Parts

Titan PowerLiner 4500 Cart Assembly Parts (I)

Titan PowerLiner 4500 Cart Assembly Parts (II)

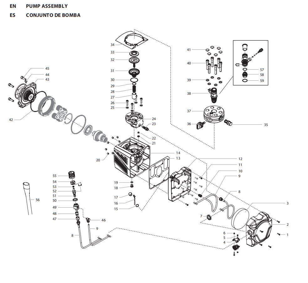
Titan PowerLiner 4500 Pump Assembly Parts

Titan PowerLiner 4500 High Pressure Filter Assembly Parts

Titan PowerLiner 4500 Outlet Valve Assembly Parts

Titan PowerLiner 4500 Inlet Valve Body Assembly Parts

Titan PowerLiner 4500 Siphon Assembly

Titan PowerLiner 4500 Gun Holder Assembly Parts

Titan PowerLiner 4500 Smart Arm Assembly Parts
PowerLiner 4500 Accessories
NEW PRODUCTS FOR MARCH - TITAN POWERLINER 4500 SPRAYER PARTS
The Titan PowrLiner 4500 is a professional gas-powered pavement marking sprayer engineered for medium to large striping jobs. It is commonly used for parking lots, warehouses, athletic fields, roadways, and municipal maintenance projects. This page is dedicated to helping contractors, municipalities, and maintenance crews quickly locate the correct Titan PowrLiner 4500 sprayer parts needed to maintain peak spraying performance.
If your machine is experiencing pressure fluctuations, worn packings, engine issues, or spray pattern problems, selecting the correct replacement component is critical to minimizing downtime.
Titan PowrLiner 4500 Gas Model
Compatible configurations equipped with Honda gas engine and hydraulic drive system
Always verify your unit’s serial number and parts diagram before ordering to ensure compatibility.
To simplify ordering, parts are organized by assembly group. Select the appropriate section below to locate your component:
Includes recoil starter components, carburetor parts, ignition components, air filter housing, fuel tank components, and engine mounting hardware. These parts support reliable gas engine performance.
Hydraulic pump, hoses, fittings, fluid reservoir parts, and drive components that transfer engine power to the fluid section.
Includes piston rod, cylinder, packings, valves, seats, and rebuild components. If you notice pressure loss or surging, this is often the area requiring inspection.
Manifold block components, high-pressure filters, fittings, and connections that maintain consistent paint flow.
Gun holders, spray guns, tips, guards, and high-pressure hoses designed for professional line striping applications.
Handlebars, wheel assemblies, brake components, mounting brackets, and structural parts that maintain stability and mobility on the jobsite.
Contractors frequently replace:
Pump packings and piston rods
Inlet and outlet valve assemblies
Hydraulic hoses and fittings
Spray tips and guards
Engine service parts (filters, carburetor components)
Routine inspection and preventative maintenance extend the service life of your Titan gas sprayer parts and help prevent costly shutdowns during active striping projects.
The Titan PowrLiner 4500 is built for:
Parking lot striping
Road and highway marking
Warehouse floor marking
School and athletic field striping
Municipal public works applications
Its hydraulic drive system and gas engine configuration make it suitable for demanding environments requiring consistent output and durability.
Using the correct PowrLiner 4500 parts diagram ensures:
Proper fitment
Maintained pressure performance
Reduced downtime
Extended pump life
Safer jobsite operation
If you are unsure which part you need, cross-reference your machine’s model and serial number with the correct assembly diagram before placing your order.
AllTitanParts.com helps professionals quickly locate and order the correct Titan PowrLiner 4500 replacement parts without guesswork. Our organized parts diagrams and assembly breakdowns make it easy to identify exactly what your sprayer requires.
Keeping your line striping equipment running efficiently starts with selecting the right component the first time.
If you’re servicing a Titan line striping machine, you’re in the right place.