Subcategories

PowrLiner 6900XLT SP Main Assembly — Gas Model

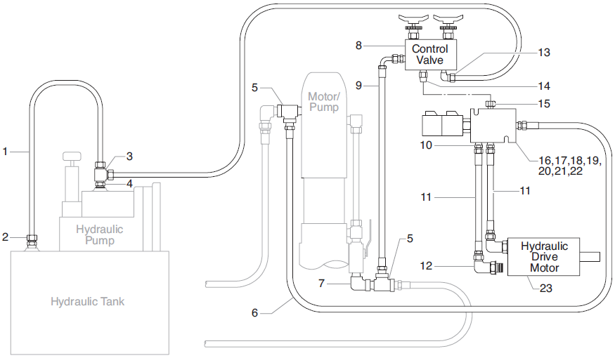
PowrLiner 6900XLT SP Hydraulic System Assembly

PowrLiner 6900XLT SP Gas Convertokit (P/N 506-146)

PowrLiner 6900XLT SP DC — Electric Convertokits

PowrLiner 6900XLT SP Siphon Hose Assembly (P/N 103-842)

PowrLiner 6900XLT SP Bleed Hose Assembly with Valve

PowrLiner 6900XLT SP Bleed Valve Assembly (P/N 944-030)

PowrLiner 6900XLT SP Wheel Assembly

PowrLiner 6900XLT SP Cart Assembly (P/N 779-565)

PowrLiner 6900XLT SP Hydraulic Motor

PowrLiner 6900XLT SP Fluid Section

PowrLiner 6900XLT SP Filter Assembly (P/N 779-098)

PowrLiner 6900XLT SP Belt Guard Assembly (P/N 449-934)

PowrLiner 6900XLT SP Trigger Assembly

PowrLiner 6900XLT SP Hydraulic Hose System

PowrLiner 6900XLT SP FORWARD/REVERSE Switch Assembly

PowrLiner 6900XLT SP Second Gun Assembly
Accessories
NEW PRODUCTS FOR FEBRUARY - POWRLINER 6900XLT SELF-PROPELLED
The PowrLiner 6900XLT Self-Propelled is built for professionals who demand accuracy, speed, and long-lasting reliability in line striping. Designed to handle large-scale striping jobs with ease, this machine delivers powerful performance whether you’re marking parking lots, highways, airports, or athletic fields. Its self-propelled drive helps reduce fatigue and keeps lines straight even on longer runs.
Durability is at the core of this unit, thanks to robust components like the PowrLiner 6900XLT Pump Assembly for consistent paint flow, the PowrLiner 6900XLT Wheel Assembly for stable movement, and the PowrLiner 6900XLT Spray Gun ensuring sharp, professional-quality lines. Operators enjoy smooth control and convenience with an intuitive PowrLiner 6900XLT Control Panel and a strong PowrLiner 6900XLT Hose Assembly designed to support continuous striping without interruptions.
If you’re looking for precision and efficiency in your daily striping operations, this machine keeps your workflow fast and professional.
This model is perfect for:
It’s recommended to clean and inspect the pump after each job. Regular lubrication and timely replacement of worn seals keep the pump performing at peak condition.
Yes. The spray gun convertokits are replaceable, and different tips can be used to match the type of striping material or the width required for your project.
The control panel lets you adjust pressure, speed, and engine settings so you can fine-tune performance based on surface type and striping requirements.
The wheel assembly is built for tough surfaces, offering steady traction on asphalt, concrete, and other uneven ground typically found in commercial striping areas.
If you notice pressure drops, paint leaks, or stiffness in the hose, it’s time to inspect for wear. Replacing the hose keeps paint flow consistent and prevents mid-job interruptions.