Please wait while we process your order...
Quantity in Cart: 1
0 Log In Register | 0
0 CATEGORIES Order By Titan Parts Diagram Electric Airless Sprayer Parts Gas Airless Sprayer Parts Fine Finishing Sprayer Parts Field & Pavement Marking Sprayer Parts Texture Paint Sprayer Parts Air Powered Airless Sprayer Parts Titan Sprayer Accessories Parts Order Titan Accessories Red Series Guns Entry Level Contractor Airless Guns S-Series Airless Guns Specialty Airless Guns Titan Guns, Hoses and Tip kits Airless Spray Tips Tip Guards Titan Hoses Titan Seals Titan Filters Order Titan Paint Sprayers Electric Airless Sprayers Gas Airless Sprayers Fine Finish Paint Sprayers Field Marking Paint Sprayers Texture Paint Sprayers Air Powered Sprayers Titan, SpeeFlo, SprayTech, Wagner Piston Rods Titan, SpeeFlo, SprayTech, Wagner Repacking Kits AlltitanParts Inventory Titan Parts List BLOG MANUALS TRACK ORDER
(713) 931-0006
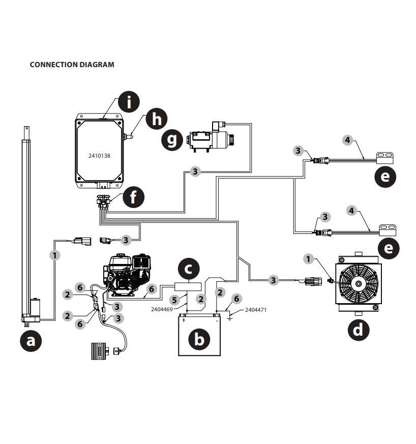
Item No: A
Part #: 2401651A
Titan part 2401651A is a linear actuator designed to provide precise, electrically controlle...
Item No: B
Part #: 2401599A
Part 2401599A is a Battery used to provide electrical power for starting and operating equipment sys...
Item No: D
Part #: 2401591A
Part 2401591A is a replacement hydraulic cooler for hydrax 4540 - 7230 equipment. This cooler di...
Item No: E
Part #: 2412847A
Titan part 2412847A is a sensor assembly designed to monitor critical operating parameters s...
Item No: F
Part #: 2410238A
Titan part 2410238A is a wire harness assembly, packaged used to connect electrical co...