Please wait while we process your order...
Quantity in Cart: 1
0 Log In Register | 0
0 CATEGORIES Order By Titan Parts Diagram Electric Airless Sprayer Parts Gas Airless Sprayer Parts Fine Finishing Sprayer Parts Field & Pavement Marking Sprayer Parts Texture Paint Sprayer Parts Air Powered Airless Sprayer Parts Titan Sprayer Accessories Parts Order Titan Accessories Red Series Guns Entry Level Contractor Airless Guns S-Series Airless Guns Specialty Airless Guns Titan Guns, Hoses and Tip kits Airless Spray Tips Tip Guards Titan Hoses Titan Seals Titan Filters Order Titan Paint Sprayers Electric Airless Sprayers Gas Airless Sprayers Fine Finish Paint Sprayers Field Marking Paint Sprayers Texture Paint Sprayers Air Powered Sprayers Titan, SpeeFlo, SprayTech, Wagner Piston Rods Titan, SpeeFlo, SprayTech, Wagner Repacking Kits AlltitanParts Inventory Titan Parts List BLOGS MANUALS TRACK ORDER
(713) 931-0006
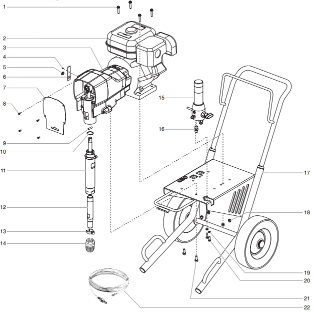
Item No: 1
Part #: 0509550
Part 0509550 is a hexagonal washer cap screw used as a structural fastener on a wide range of Adva...
Item No: 9
Part #: 0509520
Part 0509520 is a connecting pin used in the pump drive linkage of Advantage and SprayTech GPX ser...
Item No: 10
Part #: 0509521
Part 0509521 is a retainer ring used to secure internal components within the pump and drive assem...
Item No: 12
Part #: 0509542
Part 0509542 is a siphon tube used on select Advantage and SprayTech GPX series airless paint spra...
Item No: 16
Part #: 0508343
Titan part 0508343 is a fitting used to connect fluid lines or components on a wide ra...